3011 résultats trouvés

par DENAGRI
27 oct. 2025 21:19
Forum : Cylindres et pignons
Sujet : LEVIER DE VITESSES IH 743
Réponses : 4
Vues : 3332

Re: LEVIER DE VITESSES IH 743

:merci: pour vos conseils & infos !
vraiment pas facile d'accès .......
Bon j'ai réussi a faire ce que je voulais faire (- il a y du monde derrière ! )
par DENAGRI
26 oct. 2025 12:00
Forum : Le salon de bavardage...
Sujet : constructeurs de bennes agricoles en France
Réponses : 2472
Vues : 822137

Re: constructeurs de bennes agricoles en France

Constructeur A DUBOIS à EVRICOURT 60310 . la PIC : Pic A BUBOIS.jpg Photo : non présente : Lien : https://www.leboncoin.fr/ad/materiel_agricole/3080782539 Texte de l'annonce : vends remorque qui peut faire Benne et plateau Surface du plateau 3.65 de long sur 1.90 de large il est basculent par hydrau...
par DENAGRI
11 oct. 2025 12:18
Forum : Le salon de bavardage...
Sujet : constructeurs de bennes agricoles en France
Réponses : 2472
Vues : 822137

Re: constructeurs de bennes agricoles en France

* Page 150 Constructeurs en France .
* Page 156 : Constructeurs Etrangers ; Coriaces & Bennes vendanges .
par DENAGRI
05 oct. 2025 20:57
Forum : Cylindres et pignons
Sujet : LEVIER DE VITESSES IH 743
Réponses : 4
Vues : 3332

Re: LEVIER DE VITESSES IH 743

:merci: pour info .
Pas trop facile d'accés !
Elles se retirent bien ces goupilles ?
par DENAGRI
05 oct. 2025 13:18
Forum : Cylindres et pignons
Sujet : Circuit frein IH 1046
Réponses : 1
Vues : 2949

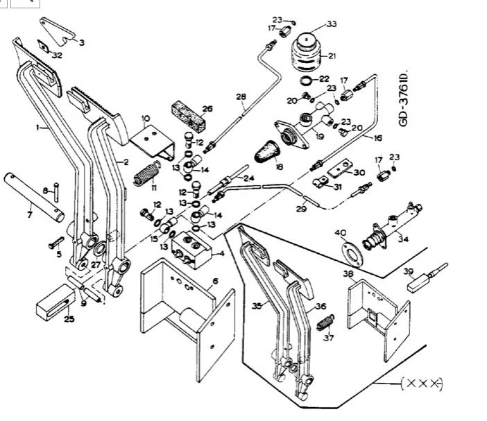
Re: Circuit frein IH 1046

Ci-joint circuit freins 946
circuit freins 946.jpg
circuit freins 946.jpg (77.16 Kio) Vu 2603 fois
par DENAGRI
05 oct. 2025 13:08
Forum : Cylindres et pignons
Sujet : LEVIER DE VITESSES IH 743
Réponses : 4
Vues : 3332

LEVIER DE VITESSES IH 743

Bonjour à tous . Besoin de conseils pour démonter le levier de vitesses du tableau de bord sur un 743 ( boite mécanique ) Il faut que j'intervienne dans le tableau de bord pour électricité . Il vient tout simplement en le soulevant ? ( pas de goupille , ni vis ? ) levier 42 ! Merci pour vos retours ...
par DENAGRI
28 sept. 2025 12:08
Forum : Le salon de bavardage...
Sujet : constructeurs de bennes agricoles en France
Réponses : 2472
Vues : 822137

Re: constructeurs de bennes agricoles en France

Déjà connu ! * Une pic en plus . BOUVERET à CHAVEYRIAT 01 660 . La Pic : pic BOUVERET à CHAVEYRIAT 01 660 MEZERIAT.jpg La Benne : Benne BOUVERET 01660 MAZERIAT.jpg Historique : Du 21 mai 1987 au 01 juillet 1996 ; Du 01 juillet 1996 au 13 juillet 2012 . https://r.search.yahoo.com/_ylt=AwrIfeRlBtlouHc...
par DENAGRI
23 sept. 2025 11:29
Forum : Le salon de bavardage...
Sujet : constructeurs de bennes agricoles en France
Réponses : 2472
Vues : 822137

Re: constructeurs de bennes agricoles en France

Constructeur RUBIO Frères à SAINT THIBERY 34 630 * La pic : Pic RUBIO Frères 34 630 Saint Thibery.jpg * La benne : Benne RUBIO Frères 34 630.jpg Cet établissement , immatriculé sous le siret 306 845 785 00014, est fermé. Il a été fermée le 25 décembre 1993, il y a 32 ans. C’est un établissement seco...
par DENAGRI
13 sept. 2025 11:34
Forum : Agriculture et techniques agricoles
Sujet : .
Réponses : 6
Vues : 2782

Re: Bonne nouvelle

* Encore une entreprise Européenne qui disparait ! :bou: :razz:
par DENAGRI
10 août 2025 12:06
Forum : Le salon de bavardage...
Sujet : constructeurs de bennes agricoles en France
Réponses : 2472
Vues : 822137

Re: constructeurs de bennes agricoles en France

*Pic PAUMIER à IZE 53 160
Image
par DENAGRI
10 août 2025 11:28
Forum : Le salon de bavardage...
Sujet : constructeurs de bennes agricoles en France
Réponses : 2472
Vues : 822137

Re: constructeurs de bennes agricoles en France

* Constructeur LADOUE à VALOGNES 50 700 ( source vendeur )
La benne : https://ibb.co/KcPTC4YC
La Pic :
Pic LADROUE.jpg
Pic LADROUE.jpg (16.24 Kio) Vu 5133 fois
par DENAGRI
21 mars 2025 20:39
Forum : Le salon de bavardage...
Sujet : constructeurs de bennes agricoles en France
Réponses : 2472
Vues : 822137

Re: constructeurs de bennes agricoles en France

BSR ,
:merci: pour vos messages .
Difficile de trouver d'autres constructeurs . :razz:
* Une GAUTREAU AMELINEAU ( AMELINEAU connu même adresse , une association à une certaine époque ? )
La pic :
Pic gautreau amelineau.jpg
Pic gautreau amelineau.jpg (38.7 Kio) Vu 10703 fois
La benne :
Benne gautreau amelineau.jpg
Benne gautreau amelineau.jpg (118.58 Kio) Vu 10703 fois