Régulateur de tension FU235d
-
Atlantis09
- Messages : 5
- Enregistré le : 26 nov. 2025 20:13
Régulateur de tension FU235d
Bonjour à tous
Je suis en train de travailler sur le système d'alimentation en énergie électrique sur mon tracteur. J'ai testé la dynamo, elle fonction en moteur donc pas de soucis de ce côté là. Par contre le régulateur est hs l'une des résistance dessous est cassé. Donc je vais la remplacer pas une plus moderne. Avez-vous des références à me conseiller pour être sûr que ça fonctionne ? Peu être l'un d'entre vous sur le forum a déjà fait un tel remplacement ? Merci pas avance
Je suis en train de travailler sur le système d'alimentation en énergie électrique sur mon tracteur. J'ai testé la dynamo, elle fonction en moteur donc pas de soucis de ce côté là. Par contre le régulateur est hs l'une des résistance dessous est cassé. Donc je vais la remplacer pas une plus moderne. Avez-vous des références à me conseiller pour être sûr que ça fonctionne ? Peu être l'un d'entre vous sur le forum a déjà fait un tel remplacement ? Merci pas avance
- farmall 22
- Messages : 3096
- Enregistré le : 17 juil. 2009 23:10
- Localisation : loudeac bretagne (22)
Re: Régulateur de tension FU235d
Il va être difficile de remplacer cette résistance, déjà il faudrait connaître sa valeur donc quasi impossible et encore plus si c'est celle qui sert a faire la régulation ( la dynamo charge en permanence!) Le plus simple est de remplacer le régulateur complet. De mémoire c'est du paris rhones donc régulateur yt 210 ou yt211 si dynamo G10R19
Régulateur yt211 si dynamo G11R57
Régulateur yt211 si dynamo G11R57
Re: Régulateur de tension FU235d
Bonjour Atlantis09,
La valeur de la résistance n'est pas vraiment critique pour le point de régulation. Il s'agit en général d'un fil résistif bobiné sur un bâton en fibre de verre et s'il reste une partie intacte, il est assez facile de mesurer la résistance de cette partie puis d'extrapoler avec une règle de trois sur la longueur totale.
Les résistances définissent l'excitation minimale de la dynamo lorsque les contacts de régulation (courant et tension) sont ouverts sachant que lorsque ces contacts sont fermés, ils relient directement la borne DYN à la borne EXC donc en principe, ces résistances ne s'opposent pas à la charge de la batterie.
Je te conseille d'ouvrir le boitier du régulateur (2 rivets à percer en général) pour examiner l'état des relais et de leurs contacts.
Sur mon F135D, c'était le conjoncteur-disjoncteur qui bloquait la charge. Je l'ai remplacé par une diode de puissance.
La valeur de la résistance n'est pas vraiment critique pour le point de régulation. Il s'agit en général d'un fil résistif bobiné sur un bâton en fibre de verre et s'il reste une partie intacte, il est assez facile de mesurer la résistance de cette partie puis d'extrapoler avec une règle de trois sur la longueur totale.
Les résistances définissent l'excitation minimale de la dynamo lorsque les contacts de régulation (courant et tension) sont ouverts sachant que lorsque ces contacts sont fermés, ils relient directement la borne DYN à la borne EXC donc en principe, ces résistances ne s'opposent pas à la charge de la batterie.
Je te conseille d'ouvrir le boitier du régulateur (2 rivets à percer en général) pour examiner l'état des relais et de leurs contacts.
Sur mon F135D, c'était le conjoncteur-disjoncteur qui bloquait la charge. Je l'ai remplacé par une diode de puissance.
-
Atlantis09
- Messages : 5
- Enregistré le : 26 nov. 2025 20:13
Re: Régulateur de tension FU235d
Bonsoir merci pour vos conseils. J'ai trouver un régulateur standard que j'ai commandé. Je devrais le recevoir dans les dix prochains jours. Si ca fonctionne je vous ferais un retour avec la réf du régulateur.
- farmall 22
- Messages : 3096
- Enregistré le : 17 juil. 2009 23:10
- Localisation : loudeac bretagne (22)
Re: Régulateur de tension FU235d
Attention au reguateur standard, ils ont. Une cote mal taillée fonc parfois l'ammorcage ne se fait pas! Il faut également vérifier la tension de charge et en fonction de ça, il faut tordre les lamelles pour faire les réglages 
-
Atlantis09
- Messages : 5
- Enregistré le : 26 nov. 2025 20:13
Re: Régulateur de tension FU235d
Bonsoir
J'ai commandé un régulateur avec les même caractéristiques que l'ancien à savoir 12V et 11A.
Je vous mes le liens ci dessous :
https://www.agrizone.net/filtre/filtre- ... Z000603007
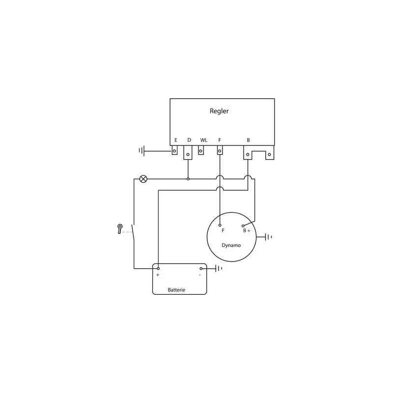
Pour ce qui concerne le raccordement je vous joints un schéma ci dessous :
https://www.cam-agri-parts.fr/125613-la ... 818814.jpg
Je fais le raccorder de la manière suivante :
Borne E du régulateur sur la borne de masse de la dynamo
Borne D du régulateur sur la borne de sortie de la dynamo
Borne WL je ne l'"utilise pas
Borne F du régulateur sur la borne d'excitation de la dynamo
Borne B du régulateur sur la borne + de la batterie (via le démarreur)
Ca devrait maché normalement,
J'ai commandé un régulateur avec les même caractéristiques que l'ancien à savoir 12V et 11A.
Je vous mes le liens ci dessous :
https://www.agrizone.net/filtre/filtre- ... Z000603007
Pour ce qui concerne le raccordement je vous joints un schéma ci dessous :
https://www.cam-agri-parts.fr/125613-la ... 818814.jpg
Je fais le raccorder de la manière suivante :
Borne E du régulateur sur la borne de masse de la dynamo
Borne D du régulateur sur la borne de sortie de la dynamo
Borne WL je ne l'"utilise pas
Borne F du régulateur sur la borne d'excitation de la dynamo
Borne B du régulateur sur la borne + de la batterie (via le démarreur)
Ca devrait maché normalement,
par contre farmall 22 je ne comprend pas se que tu veux dire pas "il faut tordre les lamelles pour faire les réglages"par farmall 22 » 15 déc. 2025 08:01
Attention au reguateur standard, ils ont. Une cote mal taillée fonc parfois l'ammorcage ne se fait pas! Il faut également vérifier la tension de charge et en fonction de ça, il faut tordre les lamelles pour faire les réglages
Re: Régulateur de tension FU235d
Bonsoir
simple remarque de ma part et sous réserve il se peut que je dise une c......... mais ce montage de régulateur est employé avec une dynamo lucas autrement dis montage de série anglaise ( en ih 250 414 ,434 ) ce qui n est pas le cas pour toi car ton tracteur n en fait pas parti ? d ailleurs sur le site ils donne les correspondances et c est prévu pour des series ford qui eux aussi font parti des systémes anglais ,en plus ces régulateurs était employé a une époque avec un branchement batterie le + a la masse donc peut étre a vérifier ?
simple remarque de ma part et sous réserve il se peut que je dise une c......... mais ce montage de régulateur est employé avec une dynamo lucas autrement dis montage de série anglaise ( en ih 250 414 ,434 ) ce qui n est pas le cas pour toi car ton tracteur n en fait pas parti ? d ailleurs sur le site ils donne les correspondances et c est prévu pour des series ford qui eux aussi font parti des systémes anglais ,en plus ces régulateurs était employé a une époque avec un branchement batterie le + a la masse donc peut étre a vérifier ?
- Papounet 82
- Messages : 18449
- Enregistré le : 05 janv. 2006 13:47
-
Atlantis09
- Messages : 5
- Enregistré le : 26 nov. 2025 20:13
Re: Régulateur de tension FU235d
Sur mon tracteur, c’est bien le (-) de la batterie qui est à la masse. D’après le schéma, le montage correspond bien à cette configuration, avec la masse reliée au (-).
Sur la photo du régulateur, on peut voir que la borne E est directement soudée à la carcasse du régulateur, donc de ce côté-là, je ne me fais pas trop de souci. Après, est-ce que c’est 100 % compatible, je n’en suis pas sûr.
Le régulateur d’origine est un Ducellier 8334A et la dynamo une Paris-Rhône G11R57 (et oui, 100 % français… mais ça, c’était avant
).
D’après ce que j’ai pu glaner à droite et à gauche, ça devrait marcher, enfin, je l’espère !
Sur la photo du régulateur, on peut voir que la borne E est directement soudée à la carcasse du régulateur, donc de ce côté-là, je ne me fais pas trop de souci. Après, est-ce que c’est 100 % compatible, je n’en suis pas sûr.
Le régulateur d’origine est un Ducellier 8334A et la dynamo une Paris-Rhône G11R57 (et oui, 100 % français… mais ça, c’était avant
D’après ce que j’ai pu glaner à droite et à gauche, ça devrait marcher, enfin, je l’espère !
Re: Régulateur de tension FU235d
Bonsoir Atlantis09,
J"ai trouvé la notice d'entretien des tracteurs Ford:
http://vieux.tracteurs.free.fr/pdf/Ford ... trique.pdf
Bonne nouvelle: le 12V a le négatif à la masse et l'excitation de la dynamo est positive donc c'est compatible avec ta dynamo.
Il faut juste vérifier que le régulateur limite le courant à 11A sinon la dynamo risque de brûler.
J"ai trouvé la notice d'entretien des tracteurs Ford:
http://vieux.tracteurs.free.fr/pdf/Ford ... trique.pdf
Bonne nouvelle: le 12V a le négatif à la masse et l'excitation de la dynamo est positive donc c'est compatible avec ta dynamo.
Il faut juste vérifier que le régulateur limite le courant à 11A sinon la dynamo risque de brûler.
- farmall 22
- Messages : 3096
- Enregistré le : 17 juil. 2009 23:10
- Localisation : loudeac bretagne (22)
Re: Régulateur de tension FU235d
Il n'y a pas vraiment de réglage interne dans un régulateur, certains on des vis mais c'est très rare. Du coup voile ça fonctionne par champs magnétique, le fait de tordre les lamelles de contact obligé a avoir un champ magnétique plus ou moins élevé pour les faires coller donc on peu changer légèrement la tension et le reste comme çaAtlantis09 a écrit : ↑15 déc. 2025 18:46 Bonsoir
J'ai commandé un régulateur avec les même caractéristiques que l'ancien à savoir 12V et 11A.
Je vous mes le liens ci dessous :
https://www.agrizone.net/filtre/filtre- ... Z000603007
Pour ce qui concerne le raccordement je vous joints un schéma ci dessous :
https://www.cam-agri-parts.fr/125613-la ... 818814.jpg
Je fais le raccorder de la manière suivante :
Borne E du régulateur sur la borne de masse de la dynamo
Borne D du régulateur sur la borne de sortie de la dynamo
Borne WL je ne l'"utilise pas
Borne F du régulateur sur la borne d'excitation de la dynamo
Borne B du régulateur sur la borne + de la batterie (via le démarreur)
Ca devrait maché normalement,par contre farmall 22 je ne comprend pas se que tu veux dire pas "il faut tordre les lamelles pour faire les réglages"par farmall 22 » 15 déc. 2025 08:01
Attention au reguateur standard, ils ont. Une cote mal taillée fonc parfois l'ammorcage ne se fait pas! Il faut également vérifier la tension de charge et en fonction de ça, il faut tordre les lamelles pour faire les réglages