Bonjour,
je viens de finir ma grosse remise à niveau de mon mac cormick 423.
J'ai un soucis sur lmes codes phares.
Les phares fonctionnent mais pas les codes.
J'ai changé mes ampoules pour mettre du H4.
Est ce que cela vient de là?
Merci de vos lumières.
Codes phares sur 423
- thierry 1968
- Messages : 1651
- Enregistré le : 09 mars 2012 20:04
- Localisation : 56 le sourn
Re: Codes phares sur 423
bonsoir
il faut regardé avec un métrix ou une lampe témoin ci tu a du + au fusible et aux prises des lampes sur la ligne feux de croisement , car c'est peut être le relais qui ne fonctionne pas
A + Thierry
il faut regardé avec un métrix ou une lampe témoin ci tu a du + au fusible et aux prises des lampes sur la ligne feux de croisement , car c'est peut être le relais qui ne fonctionne pas
A + Thierry
- geronimo69
- Messages : 3996
- Enregistré le : 22 janv. 2012 15:44
- Localisation : RHONE 69
Re: Codes phares sur 423
bien bouger les fusibles , ses anciens fusibles c'est une vrai daube des que ça s'oxyde
-----------__________-_-_-_-_-_-_-_-_-_-_-_-_-_________--------------
Rouge d'un jour rouge de toujours
@+
Jérôme
Rouge d'un jour rouge de toujours
@+

Jérôme
- Le Peyrousien
- Modérateur
- Messages : 5911
- Enregistré le : 06 oct. 2009 22:32
- Localisation : Limousin
- Contact :
Re: Codes phares sur 423
Bonjour,geronimo69 a écrit : ↑04 mai 2023 20:05 bien bouger les fusibles , ses anciens fusibles c'est une vrai daube des que ça s'oxyde
Le mieux que j'ai trouvé c'est nettoyage de tout au Dremel avec une petite brosse métallique
Le Peyrousien
Patience et longueur de temps
Font plus que force ni que rage...
Mon blog : http://les-vieux-pistons-crouzillaud.over-blog.com/

Patience et longueur de temps
Font plus que force ni que rage...
Mon blog : http://les-vieux-pistons-crouzillaud.over-blog.com/

Re: Codes phares sur 423
Bonsoir,
j'ai tout essayé nettoyage fusible, remplacement fusible, le relais est neuf et le comodo aussi.
J'ai également remarqué que le klaxon ne fonctionne que quand il veut (peut être la masse).
De mémoire, lors de la restauration ça fonctionné. et je n'ai que les phares qui fonctionnent et pas les codes donc pas un problème de masse.
Je pense peut être que ce n'est pas les bonnes ampoules j'ai mis du h4 pas à filament et dans ce cas peut être un problème de résistance?
j'ai tout essayé nettoyage fusible, remplacement fusible, le relais est neuf et le comodo aussi.
J'ai également remarqué que le klaxon ne fonctionne que quand il veut (peut être la masse).
De mémoire, lors de la restauration ça fonctionné. et je n'ai que les phares qui fonctionnent et pas les codes donc pas un problème de masse.
Je pense peut être que ce n'est pas les bonnes ampoules j'ai mis du h4 pas à filament et dans ce cas peut être un problème de résistance?
- geronimo69
- Messages : 3996
- Enregistré le : 22 janv. 2012 15:44
- Localisation : RHONE 69
Re: Codes phares sur 423
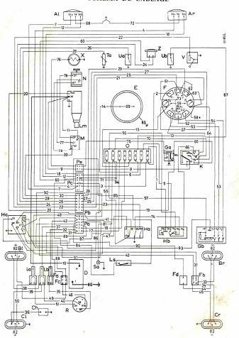
tu regarde avec une lampe témoin et masse si au fusible 7 et 8 qui corresponde a code et plein phare si tu a déjà la tension qui arrive suivant ce que tu obtient ca vient du tableau de bord ou extérieure , faisceau ou autre connexion , les fusibles 7 et 8 sont alimenter par les contacts du relais HB sur le schéma tu peut aller voir aussi si tu a une alimentation en borne 56 du relais HB repère 66 qui vient du commutateur a clé K.
-----------__________-_-_-_-_-_-_-_-_-_-_-_-_-_________--------------
Rouge d'un jour rouge de toujours
@+
Jérôme
Rouge d'un jour rouge de toujours
@+

Jérôme
Re: Codes phares sur 423
Bonjourneiz vran a écrit : ↑17 mai 2023 21:00 Bonsoir,
j'ai tout essayé nettoyage fusible, remplacement fusible, le relais est neuf et le comodo aussi.
J'ai également remarqué que le klaxon ne fonctionne que quand il veut (peut être la masse).
De mémoire, lors de la restauration ça fonctionné. et je n'ai que les phares qui fonctionnent et pas les codes donc pas un problème de masse.
Je pense peut être que ce n'est pas les bonnes ampoules j'ai mis du h4 pas à filament et dans ce cas peut être un problème de résistance?
est ce que tu entend le relais claquer quand tu tires le levier du commodo vers le haut pour faire code/phare clé de contact en position 3